| 2025年10月 | ||||||
| 日 | 月 | 火 | 水 | 木 | 金 | 土 |
| 1 | 2 | 3 | 4 | |||
| 5 | 6 | 7 | 8 | 9 | 10 | 11 |
| 12 | 13 | 14 | 15 | 16 | 17 | 18 |
| 19 | 20 | 21 | 22 | 23 | 24 | 25 |
| 26 | 27 | 28 | 29 | 30 | 31 | |
| 2025年11月 | ||||||
| 日 | 月 | 火 | 水 | 木 | 金 | 土 |
| 1 | ||||||
| 2 | 3 | 4 | 5 | 6 | 7 | 8 |
| 9 | 10 | 11 | 12 | 13 | 14 | 15 |
| 16 | 17 | 18 | 19 | 20 | 21 | 22 |
| 23 | 24 | 25 | 26 | 27 | 28 | 29 |
| 30 | ||||||
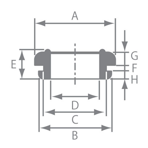
鉄板やプラスチックなどの開口部(穴)を通るケーブルを、擦れ傷や断線から保護するためのゴム製品です。「ブッシュ」とも呼ばれます。膜付で防塵効果があります。ご使用の際には膜に切り込みを入れケーブルを通して使用します。
難燃材(UL94 V-0適合)を使用しています。非移行性・RoHS対応品です。
画像はイメージです。実際の製品とは質感や光沢などが異なります。
「膜付グロメット SG-14A」(汎用品)はこちらをご覧ください。
商品の特徴
- 燃えづらく、自己消化性があります。
- 耐候性に優れています。
- 耐熱・耐寒性に優れています。
- 酸・アルカリに耐性があります。
ご注意
- 画像はイメージです。実際の製品とは質感や光沢などが異なります。
- 金型成形品のため、パーティングラインやバリなどがついています。
- 在庫がある場合、通常納期は7~10日程度ですが、在庫が無い場合は、ご注文をお引き受けすることができない場合があります。お急ぎの場合はご注文の前に在庫確認をお願い致します。
類似商品
商品一覧
補足イメージ

商品の詳細
- 材質:EPUL合成ゴム(EPDM系・難燃性)
- 硬さ:50±5(タイプA)
- 色:黒
| 型番 | A 外径 (mm) | B (mm) | C (mm) | D 内径 (mm) | E 厚さ (mm) | F 溝幅 (mm) | G (mm) | H (mm) |
|---|---|---|---|---|---|---|---|---|
| UESG-9A | 16 | 13 | 9 | 4.5 | 8.5 | 2.3 | 3.5 | 2.7 |
| UESG-12A | 19 | 16 | 12 | 7 | 6.3 | 1.6 | 2.5 | 1.5 |
| UESG-14A | 21 | 18 | 14 | 9 | 8 | 2.3 | 3 | 2.7 |
| UESG-16A | 23 | 20 | 16 | 11 | 8.1 | 1.6 | 3.5 | 2 |
| UESG-18A | 25 | 22 | 18 | 13 | 8.8 | 2.3 | 3.5 | 2 |
| UESG-20A | 27 | 24 | 20 | 15 | 9.1 | 1.6 | 4 | 2.5 |
| UESG-22A | 29 | 26 | 22 | 17 | 9.8 | 2.3 | 4 | 2.5 |
| UESG-24A | 31 | 28 | 24 | 19 | 11.3 | 2.3 | 5 | 3 |
| UESG-26A | 35 | 31 | 26 | 19 | 12.2 | 3.2 | 5 | 3 |
| UESG-28A | 37 | 33 | 28 | 21 | 11.8 | 2.3 | 5 | 3 |
| 型番 | A 外径 (mm) | B (mm) | C (mm) | D 内径 (mm) | E 厚さ (mm) | F 溝幅 (mm) | G (mm) | H (mm) |
| UESG-30A | 39 | 35 | 30 | 23 | 12.7 | 3.2 | 5 | 3 |
| UESG-30B | 35 | 35 | 30 | 25 | 8 | 1.6 | 3.2 | 3.2 |
| UESG-32A | 41 | 37 | 32 | 25 | 11.8 | 2.3 | 5 | 3 |
| UESG-34A | 43 | 39 | 34 | 27 | 12.7 | 3.2 | 5 | 3 |
| UESG-36A | 45 | 42 | 36 | 28 | 13.8 | 2.3 | 6 | 4 |
| UESG-38A | 48 | 44 | 38 | 30 | 14.7 | 3.2 | 6 | 4 |
| UESG-42A | 52 | 48 | 42 | 34 | 14.7 | 3.2 | 6 | 4 |
| 型番 | A 外径 (mm) | B (mm) | C (mm) | D 内径 (mm) | E 厚さ (mm) | F 溝幅 (mm) | G (mm) | H (mm) |
投稿した商品レビュー
納期
- 受注生産品のものや、メーカーの在庫切れ、その他諸事情によりお届けまでに予定以上の日数がかかることがございます。また、メーカーによる廃番により、同等品に変更したり注文キャンセルとなる事もございますのでご了承ください。
- お急ぎのお客様は、お手数ですが、ご注文前に在庫状況をご確認ください。
- 運送事情によりお届けまでの日数が予定以上にかかる場合がございます。
- 決済方法・発送方法によりお手元に届く期日が以下の通り異なりますのでご了承ください。
| 2025年10月 | ||||||
| 日 | 月 | 火 | 水 | 木 | 金 | 土 |
| 1 | 2 | 3 | 4 | |||
| 5 | 6 | 7 | 8 | 9 | 10 | 11 |
| 12 | 13 | 14 | 15 | 16 | 17 | 18 |
| 19 | 20 | 21 | 22 | 23 | 24 | 25 |
| 26 | 27 | 28 | 29 | 30 | 31 | |
| 2025年11月 | ||||||
| 日 | 月 | 火 | 水 | 木 | 金 | 土 |
| 1 | ||||||
| 2 | 3 | 4 | 5 | 6 | 7 | 8 |
| 9 | 10 | 11 | 12 | 13 | 14 | 15 |
| 16 | 17 | 18 | 19 | 20 | 21 | 22 |
| 23 | 24 | 25 | 26 | 27 | 28 | 29 |
| 30 | ||||||
可能なお支払方法
<クレジットカード決済>
通常納期で商品を発送
通常納期で商品を発送
<代金引換>
通常納期+2営業日で商品を発送
通常納期+2営業日で商品を発送
<銀行振込>
ご入金確認後、通常納期で商品を発送
ご入金確認後、通常納期で商品を発送
<NP後払い >
通常納期で商品を発送
通常納期で商品を発送
<Amazon Pay>
通常納期で商品を発送
通常納期で商品を発送
返品について
- お客様の都合による返品・交換は受け付けておりません。
- 弊社の不備による場合は商品到着後7日以内にご連絡ください。その後、納品書又は送り状の原書あるいはコピーと現品を同梱し送料着払いで弊社までご返送ください。至急代品とお取替え又は返金手続きをいたします。
- 返品に際して
- ご返送に際しましてはトラブル防止のため宅配便を使用していただきますようお願いいたします。
- 返金はご指定口座への振込みにて行ないます。
ホーム
はじめての方へ
ご利用ガイド
ブログ
ツイッター





マイ・パーツリストとは?






